首 页
关于我们
产品中心
新闻动态
成功案例
技术服务
联系我们
所在位置:
首页
>
产品中心
>
高压产品
>
产品中心
低压产品
高压产品
联系方式
地址:广州市新塘镇民营西二路4号
电话:020-82469588
传真:020-82466008
网站:http://www.hbjdsb.com.cn
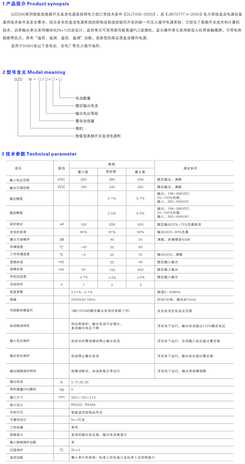
GZD(W)智能型高频开关直流电源屏
上一篇:
HXGN15-12箱型固定交流金属开关设备
下一篇:没有了!
广州华邦机电设备有限公司
粤ICP备18066754号-1
广州市新塘镇民营西二路4号 电话:020-82469588 传真:020-82466008 技术支持:
盛世网络
-
温州网站建设
-
乐清网站建设
-
818营销网